555定时器及其应用:单稳态触发器
一、实验目的
- 熟悉555时基电路的工作原理;
- 熟悉并掌握555构成的单稳态触发器的电路结构及工作原理。
二、实验器材
- VCC
- Ground
- 脉冲电压源
- 普通电阻
- 普通电容
- LM555CM
- 四通道示波器
三、实验原理
- 555定时器的工作原理
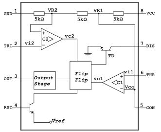
555定时器又称为时基电路,由于它的内部使用了3个5kΩ的电阻,因此取名555。图1为LM555CM定时器的内部结构。
图1 LM555CM的内部结构图
vi1是比较器C1的输入端(也称阈值端,用THR标注),vi2是比较器C2的输入端(也称触发端,用TRI标注)。C1和C2的参考电压(电压比较的基准)VR1和VR2由VCC经三个5kΩ电阻分压给出。在控制电压输入端VCO悬空时,VR1=2VCC/3,VR2=VCC/3。如果VCO外接固定电压,则VR1=VCO,VR2=0.5VCO。
RST是置零输入端(也称复位端)。只要在RST端加上低电平,输出端vo便立即被置成低电平,不受其他输入端状态的影响。表1为LM555CM定时器的功能表,在正常工作时,必须使RST端处于高电平。
表1 LM555CM的功能表
|
输入 |
输出 |
|||
|
RST |
vi1 |
vi2 |
vo |
TD状态 |
|
L |
× |
× |
L |
导通 |
|
H |
>VR1 |
>VR2 |
L |
导通 |
|
H |
<VR1 |
>VR2 |
保持 |
保持 |
|
H |
<VR1 |
<VR2 |
H |
截止 |
- 555定时器构成的单稳态触发器
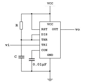
单稳态触发器只有一个稳定状态,一个暂稳态。将555定时器的vi2作为触发信号的输入端,并将由TD和R组成的反相器输出电压接至vi1端,同时在vi1对地接入电容C,就构成了单稳态触发器,如图2所示。
图2 用555定时器接成的单稳态触发器
若没有触发信号时vi为高电平,此时如果定时器原始状态为0,则TD导通,定时器的0状态维持不变;如果此时定时器原始状态为1,则TD截止,VCC经过R向C充电。当充到vc=2VCC/3时,定时器翻转为0状态,并且TD导通,电容C经TD迅速放电,输出也相应的稳定在0状态。
当触发脉冲的下降沿到达,使vi2跳变到VCC/3以下时,跳变为高电平,电路进入暂态,此时TD截止,VCC经过R开始向C充电。
当充至vc=2VCC/3时,如果此时输入端的触发脉冲已经消失,vi回到高电平,于是输出返回0状态,同时TD又变为导通状态,电容C经TD迅速放电,电路恢复到稳态。
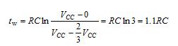
输出脉冲的宽度tw等于暂稳态的持续时间,而暂稳态的持续时间取决于外接电阻R和电容C的大小。由上述分析可知,tw等于电容电压在充点过程中从0上升到2VCC/3所需要的时间,因此得到

通常R的取值在几百欧姆到几兆欧姆之间,电容的取值在几百皮法到几百微法,tw的范围为几微秒到几分钟。但必须注意,随着tw的宽度增加它的精度和稳定度也将下降。